- 影响里氏硬度计测试精[2025-12-04]
- TH600的维护、保养与[2025-12-04]
- 洛氏硬度计检定中常见[2025-12-04]
- TH600的维护、保养与[2025-12-04]
- 表面光洁度等级与表面[2025-12-04]
TIME544X系列智能邵氏硬度计
产品名称: TIME544X系列智能邵氏硬度计
上架时间:2022.10
品牌名称:时代
全国电话: 400-860-1787
1 新品简介
TIME544X系列产品是可接入时代“凌云”系统的智能邵氏硬度计,产品由1台智能手机+1支智能邵氏探头组成,两者之间通过蓝牙无线通信,是由传统的便携式单体仪器向时代智能测量系统迈进的又一力作。
智能手机端凭借其自身软件、硬件、网络优势实现更强大的邵氏硬度计的功能,并能作为智能测量终端节点,接入时代“凌云”系统。
系列智能探头是在TIME543X系列邵氏硬度计的基础上升级而成, 能快速准确地测量塑料﹑橡胶﹑合成橡胶﹑打印胶辊、鞋用微孔材料等的硬度。产品依据邵氏硬度测量原理及邵氏硬度定义,结合先进的微电子技术,集测量装置和数据处理于一体,具有测值准确、操作简单、体积小、重量轻,携带方便等优点,在化工和橡胶行业有着广泛的应用。

本系列仪器包含5种硬度标尺,同TIME543X系列产品一一对应。产品型号及适用范围如下:
|
产品型号 |
硬度标尺 |
适用范围 |
|
TIME5440 邵氏A型硬度计 |
A |
适用于普通硬度范围。常用来测定塑料、软橡胶、打印机滚轴和其它弹性材料的硬度。 |
|
TIME5441 邵氏D型硬度计 |
D |
适用于高硬度范围。主要用来测定硬塑料和硬橡胶的硬度。 |
|
TIME5442 邵氏AO型硬度计 |
AO |
适用于低硬度橡胶和海绵。主要用来测定低硬度橡胶和海绵等软性材料的硬度。 |
|
TIME5442C 微孔材料硬度计 |
Asker-c |
适用于鞋用微孔材料。主要用来测定压缩率为50%时,应力达到0.049Mpa以上的鞋用微孔材料的硬度。 |
|
TIME5443 邵氏AM型硬度计 |
AM |
适用于普通硬度范围的薄样品。主要用来测定 普通硬度范围的硫化橡胶等的薄样件(样件厚度小于6mm)的硬度 。 |

本系列仪器的选择原则:
——D标尺低于20时,选用A标尺;
——A标尺低于20时,选用AO标尺;
——A标尺高于90时,选用D标尺;
——薄样件(样品厚度小于6mm)选用AM标尺;
——化工行业中的鞋用微孔材料,选用“微孔材料硬度计”。
本系列 仪器 符合以下标准:
GB/T 2411-2008/ISO 868:2003中华人民共和国国家标准 塑料和硬橡胶 使用硬度计测定压痕硬度(邵氏硬度)
HG/T 2489-2007 中华人民共和国化工行业标准 鞋用微孔材料硬度试验方法
HG 2368-92 中华人民共和国华工行业标准 邵尔A型橡胶袖珍硬度计技术条件
JJG 304-2003 中华人民共和国国家计量检定规程 A型邵氏硬度计
JJG 1039-2008 中华人民共和国国家计量检定规程 D型邵氏硬度计
JJF 1312-2001 中华人民共和国国家计量技术规范 AO型邵氏硬度计校准规范
2 工作原理
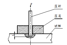
将一定形状的钢制压针﹐在规定的试验力作用下﹐压入试样表面﹐当压足表面与试样表面紧密贴合时﹐压针端面相对压足平面有一定的伸出长度L﹐长度L越大﹐表示邵氏硬度越低﹐反之越高,测量示意图见下图。
邵氏硬度(不含AM型)计算公式如下:
H = 100 - 
式中:
H ——邵氏硬度值,包括HA、HD、HAO、Hc;
L —— 压针端面伸出压足平面的长度,单位:mm。
AM型邵氏硬度计算公式如下:
H AM = 100 - ![]()
式中:
HAM —— 邵氏AM硬度值;
L —— 压针端面伸出压足平面的长度,单位:mm。
3产品特点
» 产品由1台智能手机+1支智能探头组成,两者通过蓝牙进行无线通信。
» 产品可连接到工业智能检测物联网平台——时代“凌云”系统,实现强大的产品功能。
» 本产品系列包含多种硬度标尺,应用范围广,可根据需要灵活选择。
» APP六大功能模块助力用户质量管理及售后服务:
1) 测量管理:即测、即存;实时显示、语音播报测量数据;列表、图形多角度分析测量数据。随时随地实时分享当前数据。
2) 数据管理 : 历史数据溯源 。 可以查询历史数据 ;图形、视频、文本、测量数据多维度 创建工单 、 生成报表等 。
3) 客户服务:售后提单、一键呼叫,服务就在您身边。
4) 设备管理 :对使用设备进行管理。
5) 用户管理 :用户资料维护及用户权限获取。
6) 系统设置 : 辅助测量设置 、 软件升级等功能 。
» 测量数据显示灵活,可选择在手机端或探头端显示,两种模式可一键快速切换。
» 智能探头的位移传感器内置,体积小,重量轻,操作简单,携带方便。
» 智能探头采用1.3英寸OLED显示屏,128×64图形点阵,信息显示清晰。
» 智能探头带有电量显示和欠压警示,欠压会自动关机。
» 智能探头具有无操作自动关机功能,且自动关机时长可调,或者关闭该功能。
» 智能探头的软件可远程升级。
» 智能手机端安装有“时代智检测”专用测量 APP (以下简称 APP ),接收智能探头的测量值并实现邵氏硬度计的其它功能。
» 产品具有实时测量、峰值锁存和定时锁存共三种工作模式,满足实际各种测量需求。
» 在数据锁存模式下,可预设测值上、下限,超限有显示提示,方便用户批量检测。
» 智能探头可安装在邵氏硬度测试台上使用,测量更加稳定可靠。
4 技术参数
» 硬度标尺:A、D、AO、Asker-c、 AM。
» 测量范围:0~100H。
» 测量误差:≤±1H(20~90H范围内)。
» 分辨力:0.1H。
智能探头:
» 工作电压:3.7V。
» 充电电源:6V/500mA。
智能 探头尺寸及重量
|
产品型号 |
外形尺寸(mm) |
重量(g) |
|
TIME5440 |
173 × 56× 42 |
200 |
|
TIME5441 |
173 × 56× 42 |
200 |
|
TIME5442 |
173 × 56× 42 |
200 |
|
TIME5442C |
168 × 56× 42 |
2 51 |
|
TIME5443 |
173 × 56× 4 1 |
200 |
5品种规格
5.1基本配置
» 智能探头1支;
» 中值量块1个;
» 高硬度垫片1个;
» 充电器1个;
» 邵氏硬度测试台(仅TIME5443邵氏AM型)。
5.2选择配置
除基本配置外,用户还可根据实际需要,选择配置:
» 智能手机1台;
» SIM卡1张;
» 邵氏硬度测试台(不含TIME5443邵氏AM型)。
5.3邵氏硬度测试台
|
测试台型号 |
适用的产品型号 |
|
TIMEA521 |
TIME5440 邵氏A型硬度计 |
|
TIME5442 邵氏AO型硬度计 |
|
|
TIME5442C 微孔材料硬度计 |
|
|
TIMEA522 |
TIME5441 邵氏D型硬度计 |
|
TIMEA523 |
TIME5443 邵氏AM型硬度计 |
- 时代TUD290数字超声波探伤仪[2025-12-15]
- 时代TIME3226智能粗糙度仪[2025-12-15]
- TMP1000R/TMP2000R全自动研磨抛光机[2025-12-13]
- TAMP3000全自动金相镶嵌机[2025-12-13]
- TMP2000系列手动研磨抛光机[2025-12-13]
- TMP1000系列单盘手动研磨抛光机[2025-12-13]
- TIME6610M半自动显微硬度计/TIM...[2025-12-13]
- 时代TIME5303轧辊专用硬度计-原...[2025-12-13]
- THRT-150J全自动洛氏硬度计[2025-12-13]
- 时代TH320全洛氏硬度计[2025-12-13]


