如何选择超声波探伤仪(案例分析)
1. 选型背景
背景:野外 / 室外探伤
工况:以焊缝探伤为主,主要考虑板的对接焊、搭接焊、角焊;表面通常有漆、不光滑;板厚多在 25mm 以下;多为装配件,即,已装配完毕、不拆卸探测、可能只能单面探测。
难以使用涡流法:表面有漆、锈渍,不光滑、有毛刺;
难以使用射线法:需考虑防护设备、洗片设备、无法当时判断;(工业 CT 除外)
难以使用磁粉法:焊缝余高无打磨、深度裂纹无法探测、
可能有非导磁件(比如铝合金件);
难以使用渗透法:未开口到表面的缺陷无法探测。
2. 解决方案
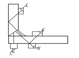
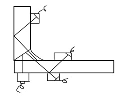
综合以上情况,推荐使用超声波探伤仪。对各种工况的探伤参照如下两图(典型图、仅供参考):
图 1 ,对接焊,焊缝余高未磨平、只能单面探测。可使用斜探头、观察一次或二次回波,在焊缝两侧进行扫查探伤。
图 2 ,角焊缝。综合使用斜探头、直探头,多面、多次探测。
.jpg)
型号推荐(性能 / 功能的选择)
使用超声探伤,有三个目的:
定位:有没有缺陷、大致在什么位置;
定量:缺陷的大小是否超标——缺陷的存在往往难免,关键在于大小是否在安全范围内;
定性:什么性质的缺陷,气孔、夹渣、裂纹?——这完全是根据对被测件的结构、材质熟悉,探测经验丰富之后,自行归纳总结。
超声波测量的工作过程:
探头发射或接收超声信号,引起探头晶振片振动,该机械振动转化为电能、表现为电压大小的变化,仪器监测到这种电压大小的变化,并将这种变化转变成示波信号在屏幕上显示。
电压大小的变化就是仪器要所采集的数据(采样),根据这种变化,进行计算,从而得出信号从什么位置回来的、强弱情况,由此再根据公式(或各种标准规定好的参照曲线)进一步推断出这个信号是否属于超标信号。
由此可见,采样的精度是根本,它受到被测件材质 / 结构、探头(频率 / 结构)、仪器三大方面的影响。
被测件我们无法控制、无法选择;探头可以不断更换、最终根据实际情况选择到一个合适的匹配探头(所以,探头属于易损易耗件)。
3. 产品推荐
因此,在采样精度的三大影响因素中,唯一可控的,或者说,可事先选择的,就是仪器。确切讲,就是仪器的采样分辨率(切记,不是采样频率)。据此,推荐使用时代 TIME1150 超声波探伤仪 。
时代 TIME1150 超声波探伤仪 的采样分辨率为 12bits 。假设,信号满幅度为 1V (如前所述,仪器实际上都是根据电压大小的变化来计算和显示信号的),则 8bits 的仪器只能辨识 4mV 的电压变化, 10bits 的仪器可辨识 1mV 的电压变化,而 12bits 的仪器可辨识 0.25mV 的电压变化。
再考虑到室外 / 野外的作业,可能会有强光环境,,那么在屏幕的亮度调节上,该款仪器的屏幕亮度 10 级可调,而且背景色四种搭配可调。这样,即便在强光直射的情况下,屏幕显示内容也清晰可辨。
鉴于板厚范围不大、且不算厚板,探测表面的空间有限,因此,在标配随机带的 2.5MHz 直探头、 5MHzK2 斜探头之外,建议,加配 5MHzK1 斜探头、 5MHz 直探头各一。如需再加配探头,将来可视情况而定(探头即插即用)。
关于仪器性能指标的验证,通常送由第三方(各计量机构)按国家颁行的相关检定规程(或校准规范)进行检定或校准,日常工作中,为了自行仪器与探头的匹配效果进行调较、校验,建议选购以下三种试块: CSK-1B (较探头零位、角度、前沿)、 RB-1 (用于调校匹配性和制作参考曲线,适用于 8 ~ 25mm 板厚)、 DB-P ( Z1-2 )(用于调校匹配性)。其它试块,可在将来的实践中另行选购。
(
未经本公司书面许可,任何单位及个人不得以任何方式或理由对上述产品、服务、信息、材料的任何部分进行使用、复制、修改、抄录、传播或与其它产品捆绑使用、销售。凡侵犯本公司版权等知识产权的,本公司必依法追究其法律责任。
- 时代TIME3234高精度粗糙度轮廓波纹度仪[2022/05/07]
- 时代TIME28系列涂层测厚仪[2022/04/29]
- 时代TIME5430邵氏硬度计A-(原TH220升级款)[2022/04/27]
- 时代TIME2190超声波测厚仪[2022/04/18]
- 时代TIME5370智能无线里氏硬度计[2022/04/07]
- 时代TIME323X粗糙度形状测量仪[2022/02/16]
- TIME7240便携式测振仪-原TV400[2021/08/04]
- 时代凸鼻子洛氏硬度计TIME6166-原TH300升级款[2021/08/03]
- 时代TIME5351(WiFi)数字化里氏硬度计[2021/08/03]
- TIME5352智能化里氏硬度计[2021/08/03]



.jpg)
